티스토리 뷰
마곡그랑시엘 행복주택 (29형) 모집공고 및 청약정보에 대해서 알아봅니다.
마곡그랑시엘는 서울 강서구 김포공항, 공항시장역, 송정역 근처에 위치하고 있습니다.
목차
마곡그랑시엘 행복주택
임대주택 신청자격은 입주자 모집공고일 기준, 무주택 세대 구성원으로 소득 및 자산 보유기준이 충족되면 신청이 가능합니다.
행복주택은 임대기간 6~20년(입주계층에 따라 상이), 전용 60 ㎡이하, 보증금+임대료를 시중시세의 60~80% 수준으로 공급하는 임대주택입니다.
자세한 부분은 SH 서울주택도시공사 홈페이지에서 자세한 모집공고를 확인하시거나 전화 문의(1600-3456) 하시면 됩니다.
신청 시 공고 내용을 반드시 숙지하고 신청자격, 소득, 자산, 가점항목 등 사전에 본인이 직접 해당 서류를 작성 후 직접신청해야합니다.
계약은 공가 발생 시 당첨 순번으로 계약하게 됩니다. 예비입주자로 선정되어도 실제 입주에는 많은 기간이 소요될 수 있습니다.
아파트 단지 정보
- 지역 서울 강서구
- 소재지 서울 강서구 방화동 613-2
- 공급구분 행복주택
- 건설세대수 5
- 준공일 2022년 7월
- 난방방식 개별난방
- 주차수 -
- 승강기 전체동 설치

공급정보

임대보증금 및 월 임대료는 입주자 모집공고일 기준이며, 보증금 최대 전환 시 변동될 수 있습니다.
행복주택아파트는 분양전환이 되지 않는 아파트로써, 입주민에게 주택을 분양하지 않고 첫 계약 후 2년마다 재계약을 하는 방식으로 최대 6~20년까지 거주하게 하는 주택입니다.
- 대학생, 청년 계층 : 6년
- 신혼부부, 한부모가족 : 무자녀 6년, 자녀1명 이상 10년
- 고령자, 주급급여수급자 : 20년
선정방법
- 1순위 : 해당 주택건설지역(서울특별시) 또는 연접지역역(의정부시·남양주시·구리시·하남시·성남시·과천시·안양시·광명시·부천시·인천광역시·김포시·고 양시·양주시)에 거주하거나 대학에 재학 중인 자
- 2순위 : 해당 주택건설지역이 속한 주택공급에 관한 규칙 제4조 3항 각호의 지역으로서 1순위에 해당하지 않는 지역(수원시·평택시·동두천시·안 산시·오산시·시흥시·군포시·의왕시·용인시·파주시·이천시·안성시·화성시·광주시·포천시·여주시·연천군·가평군·양평군)에 거주하거나 대학에 재학 중인 자
- 3순위 : 1순위 및 2순위에 해당하지 않는 자
선정순서 : 순위 > 배점 > 추첨
마곡그랑시엘 행복주택 모집공고 보기
단지배치도

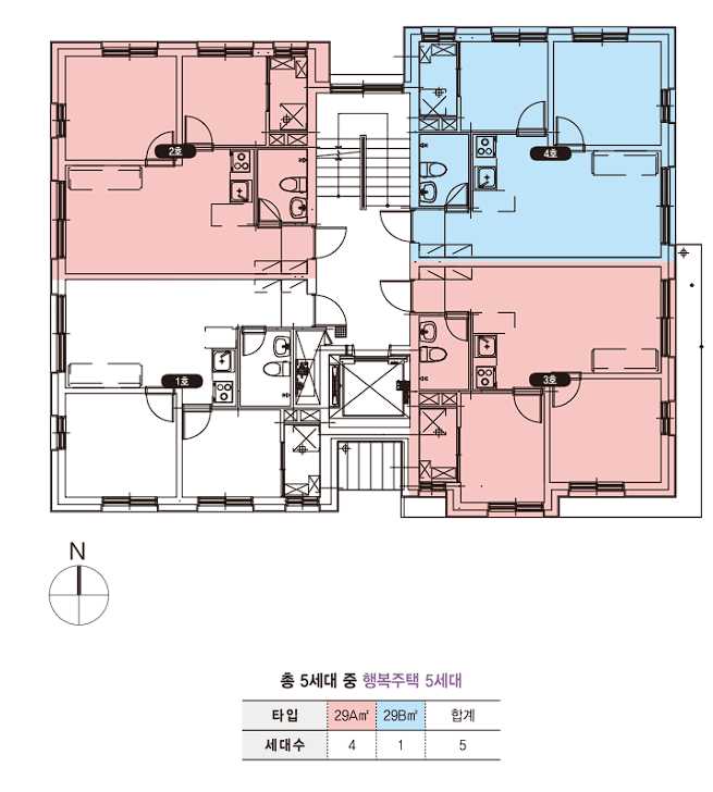
주택 평면도
29A

29B

주택평면도는 마이홈(https://www.myhome.go.kr/)에서
공공주택찾기(기존 임대주택 찾기) > 지역 선택 > 공공임대 > 아파트 선택 후 검색하기 > 단지명 클릭 으로 확인이 가능합니다.
한국 토지주택공사LH, 지자체, 지방공사에서 무주택 저소득 서민들을 위해 저렴한 비용으로 주거안정을 누릴 수 있도록 소득 계층별 다양한 임대주택을 공급하고 있습니다.
임대주택을 잘 알아보시며, 적은 비용으로 주거안정과 더불어 행복한 삶을 영위할 수 있으니 알아보시기 바랍니다.
임대주택 주요 정보 알아보기
입주자 모집공고
- LH청약플러스 홈페이지에서 확인
- SH서울주택도시공사 홈페이지에서 확인
- 청약 > 임대주택 > 공고문 선택
임대문의
- 전국 대표전화 1600-1004
- 운영시간 평일 09:00~18:00 (점심시간 12:00~13:00)
- 토,일 공휴일 휴무
인터넷 신청방법
- 공인 인증서 준비
- LH/SH 청약시스템 접속
- 인터넷 신청
- 신청 완료
예비입주자 당첨 명단 조회
예비입주자 당첨 명단 조회는 LH청약 홈페이지와 ARS(1661-7700)을 통해 당첨 발표일로부터 30일간 확인할 수 있습니다.
청약 > 청약결과 확인 > 당첨/낙찰 결과조회 에서 로그인 후 확인이 가능합니다.
당첨 사실을 확인하지 못하여 계약 체결을 못한 경우 책임은 신청자 본인에게 있습니다.
예비입주자 대기현황 조회
임대주택에 경우 바로 당첨 후 입주 하는 것이 아니라, 예비입주자 순번을 부여받고 순차적으로 공실이 나면 입주를 하게 됩니다.
당첨되기전에, 내가 청약한 주택에 입주 대기자수를 확인해보고, 내가 언제쯤 입주할지를 가늠해볼 수 있습니다.
예비입주자 대기현황(마이홈)에서 해당 단지를 검색하면, 입주 대기자수를 확인이 가능합니다.

주택 관련 정보 더보기
'서울' 카테고리의 다른 글
| 엘크루 청년안심주택 모집공고 및 청약정보 (0) | 2023.11.29 |
|---|---|
| 포르투나블루 청년안심주택 모집공고 및 청약정보 (0) | 2023.11.29 |
| 강서금호어울림퍼스티어 행복주택 모집공고 및 청약정보 (0) | 2023.11.29 |
| 우면주공 영구임대 모집공고 및 청약정보 (0) | 2023.11.29 |
| 방배에스에이치빌 공공임대 모집공고 및 청약정보 (0) | 2023.11.29 |
